
氫車獎勵12萬元/輛!成都4部門聯合啟動2022-2023年度燃料電池汽車示范應用項目申報工作
作者:官方
來源:成都市經濟和信息化局
所屬欄目:氫能政策
發布時間:2022-12-26 10:02
[ 導讀 ]12月22日,成都市經濟和信息化局、成都市財政局、成都市科學技術局、成都市發展和改革委員會4部門聯合印發《關于開展2022-2023年...
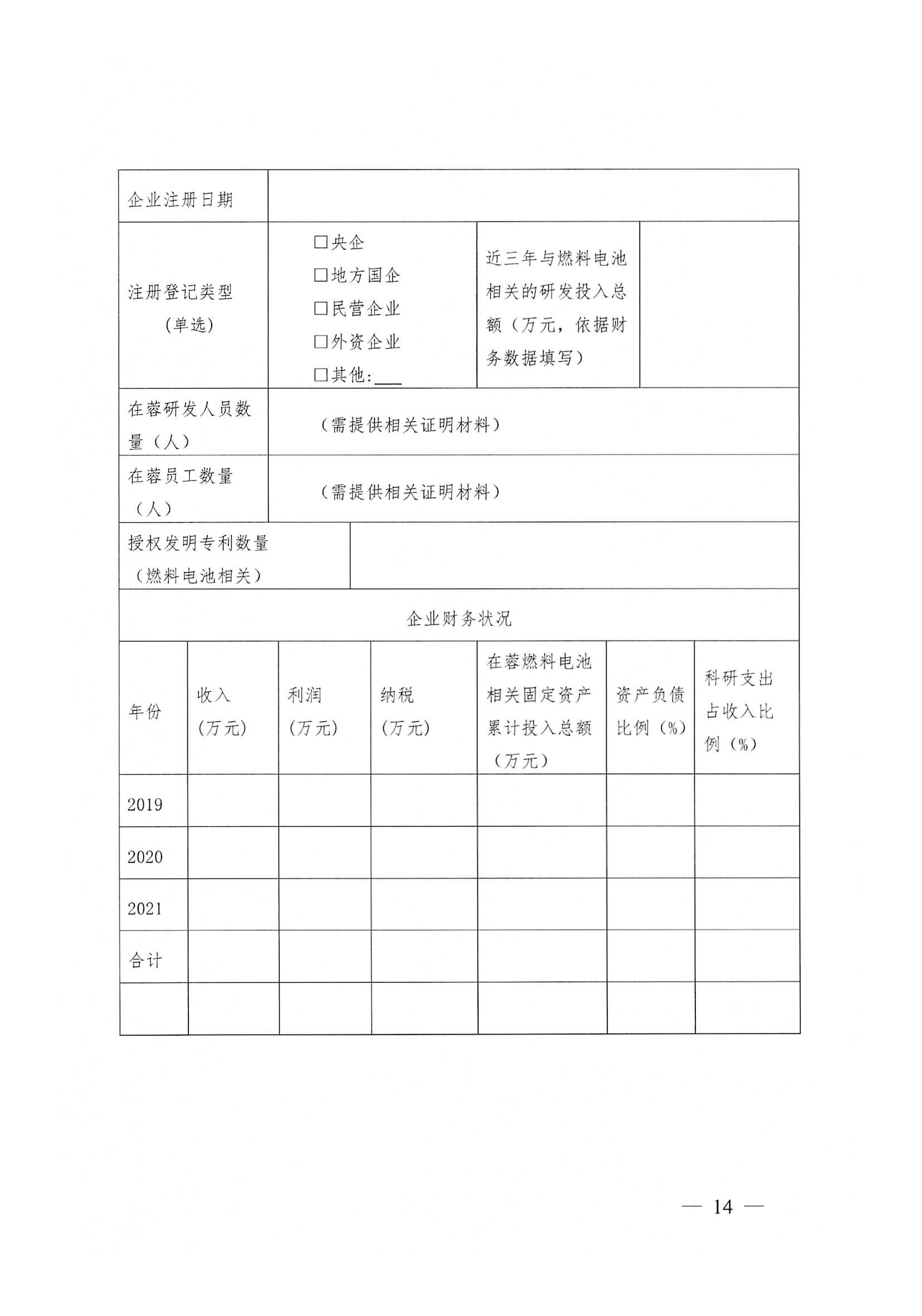
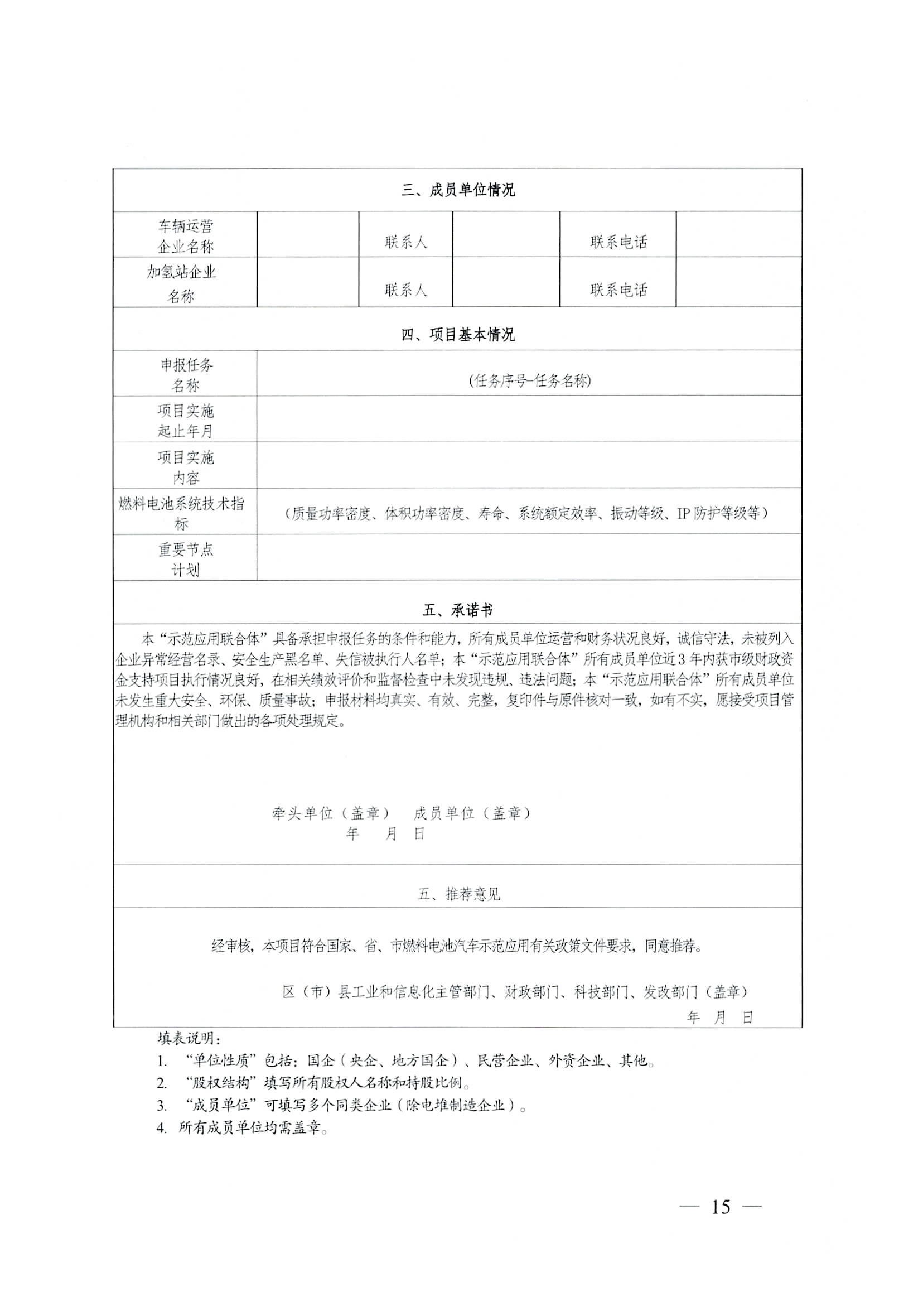
12月22日,成都市經濟和信息化局、成都市財政局、成都市科學技術局、成都市發展和改革委員會4部門聯合印發《關于開展2022-2023年度成都市燃料電池汽車示范應用項目申報工作》的通知。
針對本次燃料電池汽車示范應用范圍的燃料電池汽車新上牌車輛,參照國家獎勵計分標準給予成都市本級車輛示范應用獎勵。本次示范應用項目的任務中,燃料電池公交車、物流車以及重載物流車共計140輛,項目實施期限至2023年9月30日。
原文如下:
免責聲明:凡注明來源為“氫啟未來網:xxx(署名)”,除與氫啟未來網簽署內容授權協議的網站外,其他任何網站或者單位未經允許禁止轉載、使用,
違者必究。非本網作品均來自互聯網,轉載目的在于傳遞更多信息,并不代表本網贊同其觀點和對其真實性負責。其他媒體如需轉載,
請與稿件來源方聯系。如有涉及版權問題,可聯系我們直接刪除處理。詳情請點擊下方版權聲明。